|
LTP75 伐木集材机驱动桥
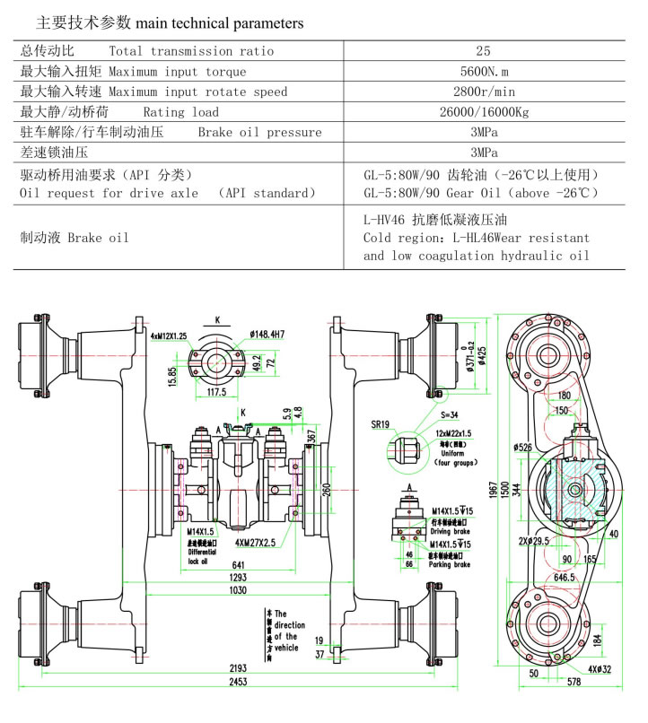
LTP75 伐木集材机驱动桥

专为林业和越野应用设计,四级大速比减速结构,提供强大驱动力矩。
动力输入与轮胎中心高偏置设计,车辆通过性好。
平衡箱多级齿轮传动,载荷传递效率高,强劲有力。
回转轴承摆动结构,经久长效崎岖地面适应性好。
封闭多盘湿式制动器,制动性能稳定可靠。
内置液控差速锁,车辆防滑性 100%。







